DELTA臺達VFD系列包括VFD-B,VFD-E,VFD-G,VFD-L,VFD-M,VFD-F,VFD-V,VFD-S,VFD-VE,VFD-VJ等多系列變頻器,其接線圖大全如下:
一、DELTA臺達VFD-B變頻器接線圖

二、DELTA臺達VFD-E變頻器接線圖
三、DELTA臺達VFD-F變頻器接線圖
四、DELTA臺達VFD-G變頻器接線圖
五、DELTA臺達VFD-L變頻器接線圖
六、DELTA臺達VFD-M變頻器接線圖
七、DELTA臺達VFD-S變頻器接線圖
八、DELTA臺達VFD-V變頻器接線圖
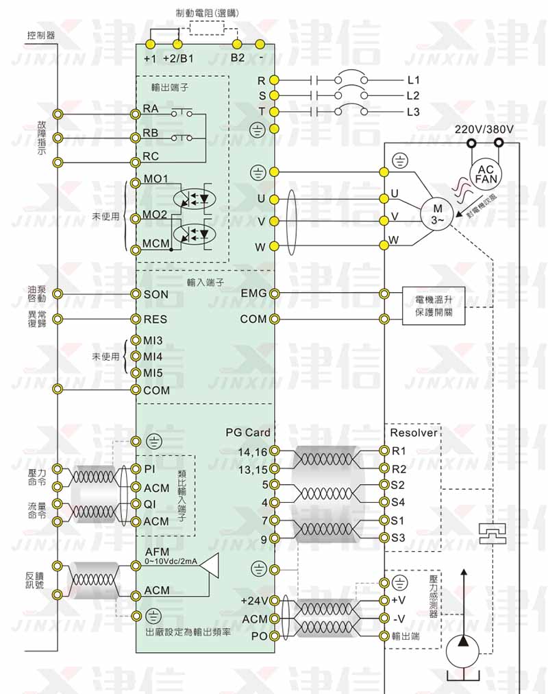
九、DELTA臺達VFD-VE變頻器接線圖
十、DELTA臺達VFD-VJ變頻器接線圖
?